MPLAB® Mindi™ Analog Simulator - COT Buck Regulators with External Ripple Injection
This chapter presents a few ordinary tests that can be performed using Microchip Constant-On-Time (COT) Buck Regulators with external ripple injection.
5.1 Prerequisites
5.2 COT Buck Regulators with External Ripple Injection experiments
The goal of these case studies is to understand:
- the impact of input voltage,
- load current and passive components to the quality of the output voltage during HLL and CCM modes,
- startups in different loading conditions,
- and the effect of the ripple injection circuitry and feedback resistors on the stability and load step response of the system.
5.3 Case Study: HLL/CCM Mode selection effects
The purpose of this section is:
- to understand the HLL and CCM modes of operation,
- to visualize the switching and output voltage waveform for each mode of operation and observe the transition between the two modes of operation.
The figure below shows the control loop timing during the steady-state operation of a COT controlled power supply in CCM.
The figure below shows the control loop timing during the steady-state operation of a COT controlled power supply in HLL.
5.3.1 Mode Simulation Examples
1, Open the '(MIC28515) Buck example, startup' application schematic from Power Management > Switching Regulators > MIC28515.
2. Remove PVDD, VDD, PG, EN, FREQ, EXTVDD, SVIN, VIN, BST, ILIM, FB, IVIN, ISVIN, ICIN1, ICIN2, Icout1, and Icout2 probes and restore connections where needed.
3. Rename them as desired and use the same graph name for each (e.g., Switching).
4. Add a waveform generator on MODE pin and edit its parameters as in the example below.
5. Increase the simulation time to 25 ms and modify R2 (Load resistor) value to 300.
6. Drag the cursors to measure the desired parameter, and zoom in the MODE transition to visualize different parameters. Note the Inductor current, Input Current Consumption, and Output Voltage waveform.
5.4 Case Study: Start-up with High Load or High Output Capacitance
The purpose of this section is to understand the effect of high output capacitance or high load on the startup capabilities of a switching regulator. In this chapter, we will simulate the startup of the MIC28514 under different conditions and visualize relevant waveform.
5.4.1 Analyze Start-up Time
1. Open the '(MIC28514) Buck example, startup' application schematic from Power Management > Switching Regulators > MIC28514.
2. Remove PVDD, VDD, PG, EN, FREQ, EXTVDD, SVIN, VIN, BST, ILIM, FB, IVIN, ISVIN, ICIN1, ICIN2, Icout1, and Icout2 probes and restore connections where needed.
3. Rename them as desired and use the same graph name for each.
4. Modify the value of the C15 output capacitor to 5 mF.
5. Simulate with the initial SS cap. Visualize what happens to the output voltage.
6. Modify the SS cap value in order to increase the startup time two times and then simulate again and observe the differences in the startup.
5.5 Case Study: Stability and Load Step Response for COT Devices with Pure Ripple from the Feedback Resistors
What is the effect of the feedback resistors?
The values of FB resistors should be in kΩ range to avoid noise pick up from switching. If the value of FB resistors is high, noise can couple to FB node and ride on top of ripple which will cause multi pulsing and stability issues. We recommend choosing upper FB resistors in the range of 10 kΩ and select lower FB resistors based on the required output voltage.
5.5.1 Analyze the stability and load step response
1. Open the '(MIC28514) Buck example, AC Transient load step' application schematic from Power Management > Switching Regulators > MIC28514.
2. Remove the R15 resistor and C10 capacitor from the schematic.
3. Modify C1 capacitor value to 1.8 nF, C12 ESR to 30 mΩ and Quantity to 1 and C15 ESR to 50 mΩ and value to 470 µF.
4. Remove PVDD, VDD, PG, EN, FREQ, EXTVDD, SVIN, VIN, BST, ILIM, FB, IVIN, ISVIN, ICIN1, ICIN2, Icout1, and Icout2 probes, replacing inline probes with wires.
5. Rename them as desired and use the same graph name for each.
6. Simulate the setup. Visualize what happens to the output voltage during a load transient.
7. Switch between graphs to visualize the AC response.
5.6 Case Study: External Ripple Injection Effect on Stability and Load Step Response for COT Devices
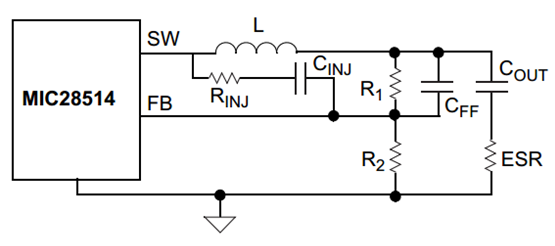
The VFB ripple required for proper operation of the internal gm amplifier and comparator is 20 mV to 100 mV. However, the output voltage ripple is generally designed as 1% to 2% of the output voltage. For low output voltages, such as 1 V, the output voltage ripple is only 10 mV to 20 mV and the feedback voltage ripple is less than 20 mV. If the feedback voltage ripple is so small that the gm amplifier and comparator cannot sense it, then the switcher loses control and the output voltage is not regulated. In order to have sufficient VFB ripple, a ripple injection method should be applied for low output voltage ripple applications. Additional ripple can be injected into the FB pin from the Switching Node, via a resistor Rinj and a capacitor Cinj as shown in the figure below.
The injected ripple can be calculated with the following formula:
5.6.1 Analyze External Ripple Injection with Stability and Load Step Response
1. Open the '(MIC28514) Buck example, AC Transient load step' application schematic from Power Management > Switching Regulators > MIC28514.
2. Remove PVDD, VDD, PG, EN, FREQ, EXTVDD, SVIN, VIN, BST, ILIM, FB, IVIN, ISVIN, ICIN1, ICIN2, Icout1, and Icout2, replacing inline probes with wires.
3. Rename them as desired and use the same graph name for each.
4. Simulate the setup. Visualize what happens to the output voltage during a load transient.
5. Switch between graphs to visualize the AC response.
6. Modify the External Ripple Injection resistor (R15) value to 25 kΩ and simulate again and observe the differences for load transient and AC response.
7. AC response with different external Rinj values (16.2 kΩ vs 25 kΩ):
8. Load Step response with different external Rinj values(16.2 k vs 25 k):
5.7 References
1. Datasheets
2. Evaluation Boards:







